Imagine

Generic Models

Process Models

  • Fundamental process concepts; working principles of common process equipment

  • Equipment performance under different operating conditions

  • Hands-on practice on operations such as start-up, shutdown, troubleshooting etc.

  • Practice safe operation of the unit; prepare for handling emergencies

Experience in Real-time

  • Effects of changes in operating conditions such as flow, pressure, temperature, etc.

  • Effects of changes in boundary conditions such as supply & discharge pressure, supply temperature, feed composition, etc.

  • Performance of control systems; functioning of different control schemes such as antisurge control, minimum flow control, overpressure control, etc.

  • Common problems and the recovery actions

Product Samples

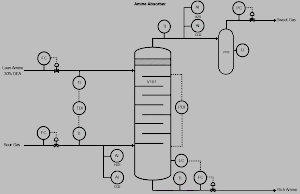
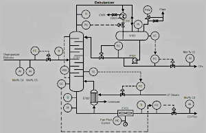
Separation System (Flash Drum, Distillation Column, Absorber, ….)

  • Concepts of vapor-liquid separation; bubble and dew points

  • Distillation concepts; conditions affecting separation quality and energy consumption

  • Absorption concepts; conditions affecting quality of gas-liquid absorption

  • Common problems such as transmitter drift, transmitter failure, valve failure, etc.

Flash Drum
Distillation
Absorber

Reactor System

  • Reaction kinetics; rate of reaction, heat of reaction, conversion, etc.

  • Factors affecting reactions such as temperature, pressure, reactant concentration or partial pressure, residence time, etc.

Fixed Bed Reactor

  • Single-bed with nickel catalyst; reactor safeguards

  • Feed: Synthesis gas containing carbon oxides

  • Gas-phase reaction: methanation; purification of syngas for removal of carbon oxides

  • Carbon oxides converted to methane through hydrogenation; equilibrium reaction; exothermic

Continuous Stirred Tank Reactor (CSTR)

  • Jacketed reactor with agitator; cooling water in jacket

  • Liquid-phase reaction; transesterification of vegetable oil to biodiesel; presence of alkali catalyst

  • Second order exothermic reaction

Batch Reactor

  • Jacketed reactor with agitator; LP Steam / cooling water in jacket

  • Batch addition of feed; withdrawal of product upon reaction completion

  • Liquid-phase reaction, reduction of nitro-benzene to aniline; active metal and concentrated hydrochloric acid catalyst

  • First order exothermic reaction

Fluid Transfer Equipment

  • Working principles; performance under different process conditions

  • Safety in operation; common problems such as supply failure, driver failure, loss of load, higher discharge or exhaust pressure, etc., and their recovery

Tank & Pump

  • Two tanks with different capacities

  • Fluid transfer using centrifugal pumps

  • Tank level control

Steam Turbine

  • Single-stage steam turbine; drives boiler feed water pump

  • MP steam, polytropic expansion to low pressure

  • Governor / turbine speed control

  • Variable turbine exhaust pressure and user load

Centrifugal Compressor

  • Steam turbine driven centrifugal compressor

  • Suction and discharge knockout drums

  • Antisurge control; performance under load and pressure changes

Reciprocating Compressor

  • Motor driven reciprocating compressor

  • Three stages with inter-stage cooling; high pressure operation

  • Suction, inter-stage and discharge knockout drums

  • Capacity control with unloaders; discharge pressure control with spillback

Heat Transfer System

  • Heat transfer concepts and equipment dynamics

  • Performance under different operating conditions such as flow, temperature & composition

  • Common problems such as fouling, tube plugging, tube leak, and their recovery

Process Heat Exchangers

  • Shell & tube exchangers with counter-current flow

  • Two exchangers with hot-side in series

Air Cooler​

  • Single-pass exchanger; cross-flow

  • Three motor-driven fans; pitch control

Condenser

  • Water-cooled partial condenser

  • Single-pass counter-current flow; shell-side condensation

  • Vapor and liquid draws from reflux drum

Thermosiphon Reboiler

  • Hot oil as heating medium

  • Single-pass counter-current flow; vertical configuration

  • Tube-side boiling, natural circulation

Vaporizer

  • Kettle type exchanger with submerged tube-bundle

  • Hot gas as heating medium

  • Shell-side boiling, level based heat transfer

Refrigeration

  • Two stage propylene (C3) refrigeration

  • Motor driven centrifugal compressor

  • Compressor safeguards

  • Feed gas chillers, suction knockout drums

  • Refrigerant cooler and condenser

  • Refrigerant surge drum

Boiler and Furnaces

  • Performance under different operating conditions such as flow, pressure, temperature and fuel gas composition

  • Practice safe operation; prepare for emergencies

  • Common problems such as partial & incomplete combustion, coil fouling, coil leak, coil rupture, equipment failure and their recovery

Utility Boiler​​

  • D-Type box configuration with steam drum, mud drum and steam super heaters

  • Forced draft operation; turbine-driven fan with motor-driven standby

  • Boiler feed water; turbine-driven pump with motor-driven standby

  • Flue gas heat recovery; economizer and air preheater

  • Furnace firing; four burners with individual burner operation

  • Boiler drum level control; three-element control

  • Boiler pressure control; fuel and air cross-limit controls

  • Boiler safeguards

Natural Draft Furnace

  • Radiation, convection and heat recovery sections

  • Two-pass process coils; individual pass flow control

  • Stack damper; arch pressure control; flue gas oxygen and combustibles monitoring

  • Four burners with individual burner operation; primary & secondary air registers

  • Furnace safeguards

Balanced Draft Furnace​

  • Radiation, convection and heat recovery sections

  • Two-pass process coils; individual pass flow control

  • Forced and Induced draft fans; air preheater

  • Stack damper; arch pressure control; flue gas oxygen and combustibles monitoring

  • Four burners with individual burner operation; secondary air registers

  • Furnace safeguards

Basic Process Control

  • Fundamental concepts of basic controls and their functioning

  • Merits / performance of a control scheme and comparisons with other schemes

PID Control

Feedforward Control

  • Intermediate storage tank

  • Tank level control; water system

  • Tank Inlet, flow controlled; feedforward component

  • Tank outlet, level controlled; feedback component

Override Control

Ratio Control

Split Range Control

pH Control